 0086-574-86322282      sales@ltkey.com  
Sie sind hier: Haus » Produkte » Durchsteckbare LED-Anzeige » Dreistellige 7-Segment-Anzeige » 0,25 - 0,5 Zoll 3-stellig » 0,30 Zoll dreistellige 7-Segment-LED-Anzeige

Kategorien-Liste

Mit uns in Verbindung treten

Telefon: +86-574-86322282
Telefax: +86-574-86322283
EMail:  sales@ltkey.com
Hinzufügen: B4, Jinjiu Straße, Zhenhai Wirtschaft-Entwicklungs-Zone, Ningbo, China 

loading

Anteil an:
sharethis sharing button

0,30 Zoll dreistellige 7-Segment-LED-Anzeige

Menge:
  • LD3031A/B-Serie

  • 1000 Stück

BAD (Durchloch) 0.3 Zoll dreistellig 7 Segment LED-Bildschirmanzeige ; Stift 1, 2 und 3 sind geläufige Stifte; interne gedruckte Schaltkarte Kreisläuf der Mehrkanalausrüstung.
Merkmale:                              
1. Digit 7.62 mm-(0.30inch) hoch                
2. Ausgezeichnetes Digitaussehen                      
3. Breiter Betrachtungswinkel                            
4. Reichweite der ausgestrahlten Farben                        
5. I.C. kompatibel                                
6. Schwachstromverbrauch                        
7. Schwarzes Gesicht, weißes Segment                      
8. RoHS gefällig

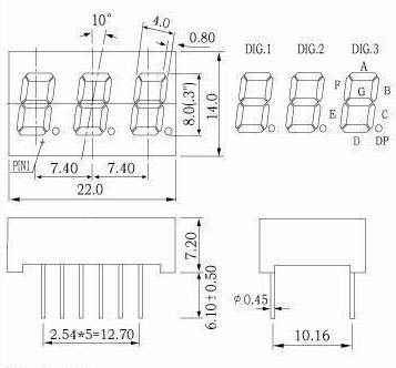
Paket-Abmessungen und interner Kreisläuf:

   

 

 

 Anmerkungen:

 1.      Alle Abmessungen sind in den mm (Zoll), Toleranz ist+0.25mm (0.01inch) es sei denn anderes kluges notiertes.

 2.      Bedingungen sind abhängig von Änderung ohne Begriff.

 3.      Der Abstand zwischen dem Reflektor und der gedruckte Schaltkarte überschreitet nicht 0.25mm.                    

 

 

   Table1:      

                                                                                                                                                                                                                                                                                                                                                                                                                                                                                                                                                                                                                                                                                                                                                                                                                                                                                                                                                                                                                                                                                                                                                                                                                                                                                                                                                                                                                   
         

           Dreistellige 7 Segment LED-Bildschirmanzeige, Digit-Höhe: 8.00mm (0.30 Zoll), Außenmaße: 22.00x14.00x7.20mm (LxWxHmm)

       
         

           Teilenummer.

       
         

           Chip

       
         

           IV@IF=20mA

       
         

           Iv@IF=20mA

       
         

           Geläufige Kathode

       
         

           Geläufig

         

           Anode

       
         

           Material

       
         

           Farbe

       
         

           WLD

       
         

           Ein Seg

       
         

           Ein DP

       
         

           Min.

       
         

           Typ.

       
         

           Min.

       
         

           Typ.

       
         

           LD3031AR

       
         

           LD3031BR

       
         

           GaAlAs

       
         

           Superrot

       
         

           640

       
         

           8

       
         

           10

       
         

           8

       
         

           10

       
         

           LD3031AD

       
         

           LD3031BD

       
         

           GaAlAs

       
         

           Angestellt

       
         

           640

       
         

           18

       
         

           25

       
         

           18

       
         

           25

       
         

           LD3031AO

       
         

           LD3031BO

       
         

           GaAsP

       
         

           Orange

       
         

           625

       
         

           7

       
         

           9

       
         

           7

       
         

           9

       
         

           LD3031AY

       
         

           LD3031BY

       
         

           GaAsP

       
         

           Gelb

       
         

           588

       
         

           8

       
         

           10

       
         

           8

       
         

           10

       
         

           LD3031AG

       
         

           LD3031BG

       
         

           Abstand

       
         

           Grün

       
         

           568

       
         

           7

       
         

           9

       
         

           7

       
         

           9

       
         

           LD3031AUR

       
         

           LD3031BUR

       
         

           AlGaInP

       
         

           Ultra Rot

       
         

           640

       
         

           30

       
         

           45

       
         

           30

       
         

           45

       
         

           LD3031AUO

       
         

           LD3031BUO

       
         

           AlGaInP

       
         

           Ultra Orange

       
         

           625

       
         

           45

       
         

           60

       
         

           45

       
         

           60

       
         

           LD3031AUA

       
         

           LD3031BUA

       
         

           AlGaInP

       
         

           Ultra Bernstein

       
         

           605

       
         

           30

       
         

           45

       
         

           30

       
         

           45

       
         

           LD3031AUY

       
         

           LD3031BUY

       
         

           AlGaInP

       
         

           Ultra Gelb

       
         

           595

       
         

           30

       
         

           45

       
         

           30

       
         

           45

       
         

           LD3031AUG

       
         

           LD3031BUG

       
         

           AlGaInP

       
         

           Ultra Grün

       
         

           573

       
         

           30

       
         

           45

       
         

           30

       
         

           45

       
         

           LD3031APG

       
         

           LD3031BPG

       
         

           InGaN

       
         

           Reines Grün

       
         

           525

       
         

           120

       
         

           300

       
         

           120

       
         

           300

       
         

           LD3031AUB

       
         

           LD3031BUB

       
         

           InGaN

       
         

           Ultra Blau

       
         

           470

       
         

           30

       
         

           45

       
         

           30

       
         

           45

       
         

           LD3031AUW

       
         

           LD3031BUW

       
         

           InGaN

       
         

           Ultra Weiß

       
         

           

       
         

           100

       
         

           120

       
         

           100

       
         

           120

       
         

           Gerät:

       
         

           

       
         

           

       
         

           

       
         

           nm

       
         

           mcd

       
         

           mcd

       
         

           mcd

       
         

           mcd

       
 
   

 

 Table2:

                                                                                                                                                                                                                                                                                                                                                                                                                                                                                                                                                                                                                                                                                                                                                                                                                                                                                                                                                                                                                                                                                                                                                                                                                                                                                                                                                                                                                                                                                                                                                                                 
       

         Farbe

     
       

         Elektrische optische Eigenschaften[1]

     
       

         Grenzdaten[1]

     
       

         Vorwärtsvoltage@ IF=20mA                

     
       

         Rückseite
         Aktuell
         VR=5V

     
       

         Energien-Ableitung

     
       

         Gleichstrom schicken Bargeld nach

     
       

         Höchstvorwärtsbargeld[2]

     
       

         Typ.

     
       

         Maximum.

     
       

         Superrot

     
       

         Pro Seg.

     
       

         1.8

     
       

         2.2

     
       

         30

     
       

         60

     
       

         25

     
       

         100

     
       

         Pro DP

     
       

         1.8

     
       

         2.2

     
       

         30

     
       

         60

     
       

         25

     
       

         100

     
       

         Angestellt

     
       

         Pro Seg.

     
       

         1.8

     
       

         2.2

     
       

         30

     
       

         60

     
       

         25

     
       

         100

     
       

         Pro DP

     
       

         1.8

     
       

         2.2

     
       

         30

     
       

         60

     
       

         25

     
       

         100

     
       

         Orange

     
       

         Pro Seg.

     
       

         2.1

     
       

         2.5

     
       

         30

     
       

         80

     
       

         30

     
       

         100

     
       

         Pro DP

     
       

         2.1

     
       

         2.5

     
       

         30

     
       

         80

     
       

         30

     
       

         100

     
       

         Gelb

     
       

         Pro Seg.

     
       

         2.1

     
       

         2.5

     
       

         30

     
       

         80

     
       

         30

     
       

         100

     
       

         Pro DP

     
       

         2.1

     
       

         2.5

     
       

         30

     
       

         80

     
       

         30

     
       

         100

     
       

         Grün

     
       

         Pro Seg.

     
       

         2.2

     
       

         2.5

     
       

         30

     
       

         80

     
       

         30

     
       

         100

     
       

         Pro DP

     
       

         2.2

     
       

         2.5

     
       

         30

     
       

         80

     
       

         30

     
       

         100

     
       

         Ultra Rot

     
       

         Pro Seg.

     
       

         1.9

     
       

         2.6

     
       

         30

     
       

         60

     
       

         30

     
       

         100

     
       

         Pro DP

     
       

         1.9

     
       

         2.6

     
       

         30

     
       

         60

     
       

         30

     
       

         100

     
       

         Ultra Orange

     
       

         Pro Seg.

     
       

         2

     
       

         2.6

     
       

         30

     
       

         65

     
       

         30

     
       

         100

     
       

         Pro DP

     
       

         2

     
       

         2.6

     
       

         30

     
       

         65

     
       

         30

     
       

         100

     
       

         Ultra Bernstein

     
       

         Pro Seg.

     
       

         2

     
       

         2.6

     
       

         30

     
       

         65

     
       

         30

     
       

         100

     
       

         Pro DP

     
       

         2

     
       

         2.6

     
       

         30

     
       

         65

     
       

         30

     
       

         100

     
       

         Ultra Gelb

     
       

         Pro Seg.

     
       

         2

     
       

         2.6

     
       

         30

     
       

         65

     
       

         30

     
       

         100

     
       

         Pro DP

     
       

         2

     
       

         2.6

     
       

         30

     
       

         65

     
       

         30

     
       

         100

     
       

         Ultra Grün

     
       

         Pro Seg.

     
       

         2.1

     
       

         2.6

     
       

         30

     
       

         75

     
       

         30

     
       

         100

     
       

         Pro DP

     
       

         2.1

     
       

         2.6

     
       

         30

     
       

         75

     
       

         30

     
       

         100

     
       

         Reines Grün

     
       

         Pro Seg.

     
       

         3.5

     
       

         4

     
       

         30

     
       

         110

     
       

         30

     
       

         100

     
       

         Pro DP

     
       

         3.5

     
       

         4

     
       

         30

     
       

         110

     
       

         30

     
       

         100

     
       

         Ultra Blau

     
       

         Pro Seg.

     
       

         3.5

     
       

         4

     
       

         30

     
       

         120

     
       

         30

     
       

         100

     
       

         Pro DP

     
       

         3.5

     
       

         4

     
       

         30

     
       

         120

     
       

         30

     
       

         100

     
       

         Ultra Weiß

     
       

         Pro Seg.

     
       

         3.5

     
       

         4

     
       

         30

     
       

         120

     
       

         30

     
       

         100

     
       

         Pro DP

     
       

         3.5

     
       

         4

     
       

         30

     
       

         120

     
       

         30

     
       

         100

     
       

         Gerät:

     
       

         

     
       

         V

     
       

         V

     
       

         MA

     
       

         mW

     
       

         MA

     
       

         MA

     
 

 Anmerkungen:  

 1.        An Grad Ta=25.  

 2.        Höchstvorwärtsbargeld bei 1/10 Arbeitszyklus, Impuls 0.1ms

 

 

   

 

Vorherige: 
Nächste: 
Copyright © LightKey Co., Ltd. alle Rechte vorbehalten. Site-Karte