| Verfügbarkeitsstatus: | |
|---|---|
| Menge: | |
LSD5111A/B
LITEKEY
8531200000
0,51 Zoll einstellige Zahl Numerisch SMD-LED-Anzeige
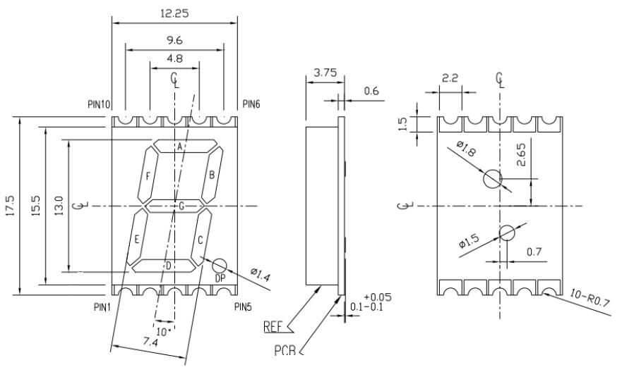
1. Diagramm der äußeren Dimension und des internen Schaltkreises
Hinweise:
Alle Abmessungen sind in Millimetern (Zoll) angegeben. Die Toleranz beträgt 0,25 mm (0,010), sofern nicht anders angegeben.
2. Auswahlhilfe
Teile-Nr. | Chip | Iv@IF=20mA | ||||
Gemeinsam Anode | Gemeinsam Kathode | Material | Farbe | WLD | Pro Chip | |
Min. | Typ. | |||||
LSD5111BR-G | LSD5111AR-G | AlGaInP | Superrot | 640 | - | 8 |
LSD5111BUR-G | LSD5111AUR-G | AlGaInP | Ultrarot | 620 | - | 15 |
LSD5111BO-G | LSD5111AO-G | AlGaInP | Orange | 605 | - | 40 |
LSD5111BY-G | LSD5111AY-G | AlGaInP | Gelb | 580 | - | 50 |
LSD5111BG-G | LSD5111AG-G | AlGaInP | Grün | 570 | - | 16 |
LSD5111BPG-G | LSD5111APG-G | InGaN | Reines Grün | 520 | - | 35 |
LSD5111BB-G | LSD5111AB-G | InGaN | Blau | 470 | - | 25 |
LSD5111BW-G | LSD5111AW-G | InGaN | Weiß | x0,27/y0,25 | - | 60 |
Einheit: | \ | \ | \ | nm | mcd | mcd |
3. Elektrische Eigenschaften und absolute Höchstwerte
Parameter | Elektrisch optische Eigenschaften[1] | Absolute Maximale Bewertungen[1] | ||||
Ausgestrahlte Farbe | Durchlassspannung @ IF=20mA | Umkehren | Leistung Zerstreuung | Gleichstrom vorwärts Aktuell | Spitze nach vorne Aktuell[2] | |
Pro Chip | Typ. | Max. | ||||
Superrot | 2.0 | 2.6 | 30 | 60 | 20 | 100 |
Ultrarot | 2.0 | 2.6 | 30 | 65 | 20 | 100 |
Orange | 2.0 | 2.6 | 30 | 65 | 20 | 100 |
Gelb | 2.0 | 2.6 | 30 | 65 | 20 | 100 |
Grün | 2.0 | 2.6 | 30 | 75 | 20 | 100 |
Reines Grün | 3.0 | 3.6 | 30 | 85 | 20 | 100 |
Blau | 3.0 | 3.6 | 30 | 85 | 20 | 100 |
Weiß | 3.0 | 3.6 | 30 | 85 | 20 | 100 |
Einheit: | V | V | uA | mW | mA | mA |
4. Anwendung von Oberflächenmontiertes LED-Display(SMD-LED-Anzeige)
﹒Haushaltsgeräte.
﹒Instrumententafeln.
﹒Digitale Anzeigeanzeigen.
Kontaktieren Sie uns für weitere Details.
Unsere Dienstleistungen/Warum LITEKEY wählen
1. Professioneller Service: antwortete innerhalb von 24 Stunden (an Werktagen).
2. Es stehen verschiedene fertige Formteile für LED-Lampen zur Verfügung: Es besteht keine Notwendigkeit, zusätzliche Gebühren für Formteile zu zahlen.
3. Wir können auch maßgeschneiderte Produkte anbieten, die nach Ihren Wünschen gestaltet werden.
4. Zuverlässige und stabile Qualität: 100 % Prüfung für jedes Stück. Automatische Test- und Bin-Code-Auswahlmaschine.
5. Erfahrung: Produzieren Sie LED-Komponenten seit mehr als 14 Jahren.
6. Fortschrittliche Ausrüstung: Automatische Produktionsmaschinen von ASM (größte Marke für LED-Automaten)
7. Konzentration: Wir konzentrieren uns auf LED-Forschung und -Entwicklung, Produktion und Vertrieb.
0,51 Zoll einstellige Zahl Numerisch SMD-LED-Anzeige
1. Diagramm der äußeren Dimension und des internen Schaltkreises
Hinweise:
Alle Abmessungen sind in Millimetern (Zoll) angegeben. Die Toleranz beträgt 0,25 mm (0,010), sofern nicht anders angegeben.
2. Auswahlhilfe
Teile-Nr. | Chip | Iv@IF=20mA | ||||
Gemeinsam Anode | Gemeinsam Kathode | Material | Farbe | WLD | Pro Chip | |
Min. | Typ. | |||||
LSD5111BR-G | LSD5111AR-G | AlGaInP | Superrot | 640 | - | 8 |
LSD5111BUR-G | LSD5111AUR-G | AlGaInP | Ultrarot | 620 | - | 15 |
LSD5111BO-G | LSD5111AO-G | AlGaInP | Orange | 605 | - | 40 |
LSD5111BY-G | LSD5111AY-G | AlGaInP | Gelb | 580 | - | 50 |
LSD5111BG-G | LSD5111AG-G | AlGaInP | Grün | 570 | - | 16 |
LSD5111BPG-G | LSD5111APG-G | InGaN | Reines Grün | 520 | - | 35 |
LSD5111BB-G | LSD5111AB-G | InGaN | Blau | 470 | - | 25 |
LSD5111BW-G | LSD5111AW-G | InGaN | Weiß | x0,27/y0,25 | - | 60 |
Einheit: | \ | \ | \ | nm | mcd | mcd |
3. Elektrische Eigenschaften und absolute Höchstwerte
Parameter | Elektrisch optische Eigenschaften[1] | Absolute Maximale Bewertungen[1] | ||||
Ausgestrahlte Farbe | Durchlassspannung @ IF=20mA | Umkehren | Leistung Zerstreuung | Gleichstrom vorwärts Aktuell | Spitze nach vorne Aktuell[2] | |
Pro Chip | Typ. | Max. | ||||
Superrot | 2.0 | 2.6 | 30 | 60 | 20 | 100 |
Ultrarot | 2.0 | 2.6 | 30 | 65 | 20 | 100 |
Orange | 2.0 | 2.6 | 30 | 65 | 20 | 100 |
Gelb | 2.0 | 2.6 | 30 | 65 | 20 | 100 |
Grün | 2.0 | 2.6 | 30 | 75 | 20 | 100 |
Reines Grün | 3.0 | 3.6 | 30 | 85 | 20 | 100 |
Blau | 3.0 | 3.6 | 30 | 85 | 20 | 100 |
Weiß | 3.0 | 3.6 | 30 | 85 | 20 | 100 |
Einheit: | V | V | uA | mW | mA | mA |
4. Anwendung von Oberflächenmontiertes LED-Display(SMD-LED-Anzeige)
﹒Haushaltsgeräte.
﹒Instrumententafeln.
﹒Digitale Anzeigeanzeigen.
Kontaktieren Sie uns für weitere Details.
Unsere Dienstleistungen/Warum LITEKEY wählen
1. Professioneller Service: antwortete innerhalb von 24 Stunden (an Werktagen).
2. Es stehen verschiedene fertige Formteile für LED-Lampen zur Verfügung: Es besteht keine Notwendigkeit, zusätzliche Gebühren für Formteile zu zahlen.
3. Wir können auch maßgeschneiderte Produkte anbieten, die nach Ihren Wünschen gestaltet werden.
4. Zuverlässige und stabile Qualität: 100 % Prüfung für jedes Stück. Automatische Test- und Bin-Code-Auswahlmaschine.
5. Erfahrung: Produzieren Sie LED-Komponenten seit mehr als 14 Jahren.
6. Fortschrittliche Ausrüstung: Automatische Produktionsmaschinen von ASM (größte Marke für LED-Automaten)
7. Konzentration: Wir konzentrieren uns auf LED-Forschung und -Entwicklung, Produktion und Vertrieb.
Empfohlener SMT-Zustand:
HINWEISE:
1.Wir empfehlen Die Reflow Temperatur 245°C(±5°C).Die Maximal Löten Temperatur sollen Sei beschränkt Zu 260°C.
2. Nicht Ursache Stress Zu Die Epoxidharz Harz während Es Ist ausgesetzt Zu hoch Temperatur.
3. Nummer von Reflow Verfahren soll Sei 2 mal oder weniger.
Empfohlener SMT-Zustand:
HINWEISE:
1.Wir empfehlen Die Reflow Temperatur 245°C(±5°C).Die Maximal Löten Temperatur sollen Sei beschränkt Zu 260°C.
2. Nicht Ursache Stress Zu Die Epoxidharz Harz während Es Ist ausgesetzt Zu hoch Temperatur.
3. Nummer von Reflow Verfahren soll Sei 2 mal oder weniger.